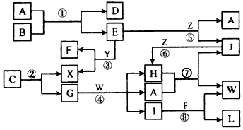
1、推断题 下图表示各物质之间的转化关系。
已知:
Ⅰ.A是无色气体,L是不溶于稀硝酸的白色沉淀,E、F、H、J、X、Y、Z是气体;
Ⅱ.G、X、Y、Z是单质,其余是化合物,其中Y呈黄绿色、H晕红棕色,E和F都极易溶解于水,二者相遇会有白烟生成;
Ⅲ.B和C都是由一种金属与一种非金属元素组成的化合物,其中非金属元素相同且质量分数都是28%,组成B的金属元素原子核处的K层和M层电子数相同。

请按要求填空:
(1)写出下列物质的电子式:A__________;X__________。
(2)工业上制取硝酸的反应有(填写反应代号)________________。
(3)写出下列物质的化学式 B_______;C_______
(4)反应④的化学方程式为______________________。
(5)保持容器的温度和体积不变,在反应③刚好完全反应时,反应前后容器的压强之比为________。
2、填空题 (9分)X、Y、Z、W均为中学化学的常见物质,一定条件下它们之间有如下转化关系:

(1)若该反应是非氧化还原反应
①X为强碱溶液,W是形成酸雨的主要气体,则Y到Z的离子方程式为?。
②X是一种盐,逐滴加入W,溶液中开始无气泡,后产生无色无味气体Z,则Z的电子式为?。
(2)若该反应是氧化还原反应
①X常温下为黄绿色气体,W是生活中应用最广泛的金属之一,则Y的水溶液中加入W生成Z溶液的离子方程式为?。
②X常温下为气体化合物,Z是一种红棕色气体,X气体的检验方法?。X转化为Y的化学方程式为?。
3、实验题 聚合硫酸铁又称聚铁,化学式为
,广泛用于污水处理。
某化学兴趣小组在实验室利用硫酸厂烧渣(主要成分为铁的氧化物及少量FeS、Si02等)
制备聚铁和绿矾
的过程如下:

(1) 验证固体W焙烧后产生的气体含有SO2的方法是?。
(2) 实验室制各、收集干燥的SO2,所需仪器如下。装置A产生SO2,按气流方向连接各
仪器接口,顺序为a→?→?→?→?→f,装置D的作用是?,装置E中NaOH溶液的作用是?。

(3) 制备绿矾时,内溶液X中加入过量?,充分反应后,经?
操作得到溶液Y,再经浓缩,结晶等步骤得到绿矾。
(4)溶液Z的pH影响聚铁中铁的质量分数,用PH试纸测定溶渡pH的操作方法为?
?。
4、推断题 A、B、C、D、E、F六种物质的转化关系如图所示(反应条件和部分产物未标出)。

(1)若A为短周期金属单质,D为短周期非金属单质,且所含元素的原子序数A是D的2倍,所含元素的原子最外层电子数D是A的2倍,F的浓溶液与A、D反应都有红棕色气体生成,则C的电子式为_________________,反应④的化学方程式为________________________。
(2)若A是常见的变价金属的单质,D、F是气态单质,且反应①在水溶液中进行。请写出在水溶液中进行的反应②的离子方程式_______________;已知光照条件下D与F反应生成B,写出该反应的化学方程式:_________________。
(3)若A、D、F都是短周期非金属元素单质,且A、D所含元素同主族,A、F所含元素同周期,则反应①的化学方程式为_________________。
5、简答题 A、B、C、D、E、F、G都是由短周期元素构成的粒子,它们都有10个电子,结构特点如下表:
| 粒子代号 | A | B | C | D | E | F | G 原子核个数 单核 单核 双核 四核 单核 五核 五核 电荷数 0 1+ 1- 0 2+ 1+ 0
|
请填写下列空白:
(1)A粒子的结构示意图为______、D粒子的电子式为______、G粒子的化学式为______;
(2)BC和EC2的碱性强弱为BC______EC2(填:>、<或=);
(3)加热条件下,F与C在溶液中反应的离子方程式为______.