微信搜索关注"91考试网"公众号,领30元,获取公务员、事业编、教师等考试资料40G!
               
                  
                   
	       1、填空题  工业合成氨与制备硝酸一般可连续生产,流程如下:

(1)工业生产时,制取氢气的一个反应为:CO+H2O(g)
CO2+H2
①t℃时,往1L密闭容器中充入0.2mol CO和0.3mol水蒸气。反应建立平衡后,体系中c(H2)=0.12mol·L-1。该温度下此反应的平衡常数K=_____(填计算结果)。
②保持温度不变,向上述平衡体系中再加入0.1molCO,当反应重新建立平衡时,水蒸气的转化率α(H2O)=________。
(2)合成塔中发生反应N2(g)+3H2(g)
2NH3(g);△H<0。下表为不同温度下该反应的平衡常数。由此可推知,表中
T/K
  | T1
  | 573
  | T2
 
  | 
K
  | 1.00×107
  | 2.45×105
  | 1.88×103
 
  T1____573K(填“>”、“<”或“=”)。
  (3)NH3和O2在铂系催化剂作用下从145℃就开始反应: 4NH3(g)+5O2(g) 4NO(g)+6H2O(g) △H=-905kJ·mol-1 不同温度下NO产率如图所示。温度高于900℃时, NO产率下降的原因???????????????????????????????。 (4)吸收塔中发生反应的化学方程式为: ?????????????????????????????????????????????????????????????????????。 (5)上述工业流程中,采用了循环操作工艺的是?????(填序号) (6)硝酸厂的尾气含有氮氧化物,如果不经处理直接排放将污染空气。目前科学家探索利用燃料气体中的甲烷等将氮氧化物还原为氮气和水,其反应机理为: CH4(g)+4NO2(g)=4NO(g)+CO2(g)+2H2O(g);?△H=-574kJ·mol-1 CH4(g)+4NO(g)=2N2(g)+CO2(g)+2H2O(g);??△H=-1160kJ·mol-1 则甲烷直接将NO2还原为N2的热化学方程式为:_____________________________。  
  
	        2、实验题  如图是一个制取氯气并以氯气为原料进行特定反应的装置。
   (l)A是氯气发生装置,写出其中的化学反应方程式???????????。 (2)a仪器的名称为???????????。 (3)实验开始时,先点燃A处的酒精灯,打开活塞K,让氯气充满整个装置,再点燃D处酒精灯,连接上E装置。D装置的硬质玻璃管内盛有炭粉,反应产物为CO2和HC1。写出D中反应的化学方程式?????????,装置C的作用是??????????。 (4)在E处,若漏斗内气体带有黄绿色,则紫色石蕊试液的颜色变化为???????。 (5)若将E处烧杯中溶液改为澄清石灰水,反应过程中现象为???????????(填序号)。 ①有白色沉淀生成;②无白色沉淀生成;③先生成白色沉淀,而后白色沉淀消失。 (6)D处反应完毕后,关闭活塞K,移去酒精灯,由于余热的作用,A处仍有Cl2 产生,则装置B中的现象是????????;若发现装置B中该现象不明显,可能的 原因是????????;查找原因时可用肥皂水或湿润的碘化钾淀粉试纸等,若用蘸 有浓氨水的玻璃棒检查时观察到有白烟产生,写出该氧化还原反应的化学方程 式?????????????????????????。
   
  
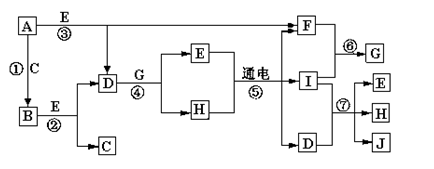
	        3、填空题  A—J是中学化学中常见的几种物质,它们之间的转化关系如图所示。已知常温下A为固体单质,B为淡黄色粉末,C、F、I为气态单质,E在常温下为液体,且E可由C、F合成,J可用作杀菌消毒剂。
   回答下列问题: (1)B的化学式:?????,E的电子式_________。 (2)写出反应⑦的离子方程式??? __________________________。 (3)向AlCl3溶液中加入少量固体B,写出反应的化学方程式_____________________。 (4)以Pt为电极电解滴加有少量酚酞的H饱和溶液,则在_____________(填“阴、阳”)极附近溶液由无色变为红色,其原因是_________________ 。
   
  
	        4、填空题  (12分)(1)氯气可溶于水,常温下,1体积水中溶解2体积的氯气,溶于水的氯气一部分与水反应,该化学方程式是???????????????。 (2)多余氯气常用NaOH溶液吸收,写出化学方程式????????????????? (3)氯水中含有多种成分。将紫色石蕊试液滴入氯水中,溶液显红色起作用的成分是____________;过一会儿,溶液颜色逐渐褪去,起作用的成分是____________;往氯水中滴入硝酸银溶液,产生白色沉淀,起作用的成分是________________。
   
  
	        5、选择题  在a、b、c、d四个集气瓶中分别盛有H2、Cl2、HCl、HBr中的任一种气体,若将a和d两瓶气体混合后见光爆炸;若将a和b两瓶气体混合后,瓶壁上出现暗红色液滴,则a、b、c、d四个集气瓶中分别盛放的气体是(?????)
  A.Cl2、H2、HCl、HBr B.Cl2、HCl、HBr、H2
  C.Cl2、HBr、H2、HCl D.Cl2、HBr、HCl、H2
   
  
	        
		  
		  
	  
      
      
       |