| 高考省级导航 | |
|
|
|
高考地理答题模板《区域地理》高频试题强化练习(2017年最新版)(五)
A.沙漠和戈壁问题 B.沼泽和河湖多的问题 C.冻土和缺氧问题 D.占用耕地问题 |
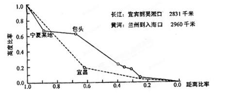
2、单选题 下图是长江(宜宾—吴淞口)、黄河(兰州—入海口)河段的纵剖面示意图,图中高度比率是指河流落差与总落差之比;距离比率是指河段长度与总长度之比。完成2题。
小题1:宁夏某地至包头河段??????????????????????????????????????
A.长度约300千米
B.秋末春初有凌汛现象
C.黄河泥沙主要来自此段
D.流经宁夏平原、河西走廊被誉为“塞外江南”
小题2:宜昌以西、以东河段???
A.宜昌以西河段水流平缓,河流堆积
B.宜昌以东河段落差大,地壳上升,河水侵蚀
C.宜昌以西河段落差占总落差20%,水能资源丰富
D.宜昌以东河段长度占总长度60%,流经长江中下游平原
3、单选题 下图是47°N部分地点海拔与年降水量对照图,读图回答下列问题。
小题1:与乙地相比,甲地年降水量大的主要影响因素是
A.距海距离
B.地形条件
C.局地水域
D.植被分布
小题2:材料所示的地区河流具有的共同特征是
A.含沙量高
B.流程较短
C.春夏汛明显
D.冰川补给为主
4、综合题 读我国某区域地形图及附表,回答下列问题。 
A点附近气候简表
| ? | 一月 | 七月 | 全年 |
| 平均气温(℃) | 7.5 | 28.6 | 18.3 |
| 平均降水量(mm) | 18.8 | 150.7 | 1 075.2 |
5、综合题 阅读材料,完成有关问题(12分)
材料一?阿拉伯半岛示意图(图14)。
材料二?沙特通过组建世界级石化生产基地及世界级的石化企业,正成为世界石化生产重地。目前,沙特已在其东海岸和红海沿岸布局了朱拜勒、延布两个大型石化生产基地。
(1)阿拉伯半岛的主要地形是??????、地势特征是?????。
(2)①、②两地中的气候差异是??????。
(3)朱拜勒工业城石化产业集群化的好处有???。
(4)每年我国从该地区进口石油达40%左右,目前该地区局势紧张,为确保我国能源安全,应采取的主要措施是???。
|
||
| 【大 中 小】【打印】 【繁体】 【关闭】 【返回顶部】 | ||
| 下一篇:高考地理试题《大气的热状况与大.. | ||