微信搜索关注"91考试网"公众号,领30元,获取公务员、事业编、教师等考试资料40G!
1、选择题 用伏安法测电阻时,按甲图所示电路测得的结果是R1,按乙图所示电路测得的结果是R2,若电阻的真实值是R,则

A.R1>R>R2
B.R1<R<R2
C.R<R1,R<R2
D.R>R1,R>R2
2、实验题 现有一根长约为20cm的柱状金属丝,其横截面为边长约1mm的正方形,金属丝的电阻率为5×10-5 Ω·m。一位同学用伏安法测量该金属丝的电阻,测量时使用电动势为4.5V的电源。另有如下器材供选择:
A.量程为0~0.6A,内阻约为1Ω的电流表
B.量程为0~1A,内阻约为10Ω的电流表
C.量程为0~6V,内阻约为4kΩ的电压表
D.量程为0~10V,内阻约为50kΩ的电压表
E.阻值为0~10Ω,额定电流为1A的滑动变阻器
F.阻值为0~1kΩ,额定电流为0.1A的滑动变阻器
(1)以上器材应选用___________。(填写器材前的字母)
(2)为了减小误差,应采用电流表的___________(选填“内接法”或“外接法”)。
(3)将下图所示器材连接成实验电路。

3、实验题 某同学在“测定金属的电阻率”的实验中:
①用螺旋测微器测量金属丝的直径如图甲所示,则该金属丝的直径为?mm。
②先用多用电表粗测其电阻Rx。将选择开关调到欧姆挡“×10”挡位并调零,其表盘及指针所指位置如图乙所示,则此段金属丝的电阻为??
。

③现要进一步精确测量Rx的阻值,实验室提供了以下器材:
直流电源E(电动势4V,内阻不计)
电流表A1(量程30mA,内阻约为1
)
电流表A2(量程500
A,内阻为100
)
滑动变阻器R1(最大阻值为10
)
电阻箱R2(最大阻值9999.9
)
电阻箱R3(最大阻值999.9
)
电键S及导线若干。
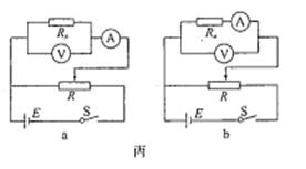
为了测定金属丝上的电压,可以将电流表?(选填“A1”或“A2”)串联电阻箱?(选填“R2"或“R3”),将其改装成一个量程为3.0V的电压表。如图丙所示,该同学设计了测量电阻Rx的a、b两种方案,其中用到了改装后的电压表和另一个电流表,则要精确测量应选方案?(选填“a”或“b”)。

4、计算题 (11分)在开展研究性学习的过程中,某同学设计了一个利用线圈测量转轮转速的装置,如图所示:在轮子的边缘贴上小磁体,将小线圈靠近轮边放置,接上数据采集器和电脑(即DIS实验器材)。如果小线圈的面积为
,圈数为
匝,小磁体附近的磁感应强度最大值为
,回路的总电阻为
,实验发现,轮子转过
角,小线圈的磁感应强度由最大值变为零。因此,他说“只要测得此时感应电流的平均值
,就可以测出转轮转速的大小。”请你运用所学的知识,通过计算对该同学的结论作出评价。

5、简答题 2013年暑假期间,高二科技活动小组,为了撰写关于未知材料电阻率的实践报告,设计了一个测量电阻率(被测电阻丝的阻值约为10Ω)的实验方案,可提供的器材有:
A、电流表G,内阻RR=120Ω,满偏电流IR=3mA
B、电流表A1,内阻约为0.4Ω,量程为0~0.6A
C、电流表A2,内阻约为0.1Ω,量程为0~3A
D、螺旋测微器
E、电阻箱R0(0~9999,0.5A)
F、滑动变阻器R1(0-5Ω,2A)
G、滑动变阻器R2(0-500Ω,1A)
H、干电池组(4.5V,0.05Ω)
I、一个开关和导线若干
(1)为很好地完成实验,应选择电流表______,滑动变阻器应选择______(填A-G选项)
(2)如图1所示是用螺旋测微器测电阻丝的直径,其读数为d=______mm.
(3)请用改造完的电压表设计一个测量电阻率的实验电路,根据提供的器材和实验需要,请将图2方框中电路图补画完整.
(4)实验数据的测量与电阻率的计算:如果电阻丝的长度用L表示,电路闭合后,调节滑动变阻器的滑片到合适位置,电流表G的示数为I1,电流表A的示数为I2,请用已知量和测量量写出计算电阻率的表达式ρ=______.
