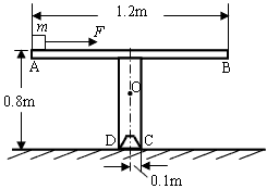
1、计算题 水平导轨AB固定在支架CD上,其形状、尺寸如图所示。导轨与支架的总质量M=4kg,其重心在O点,它只能绕支架C点且垂直于纸面的水平轴转动。质量m=1kg的小铁块静止于水平导轨AB的A端,现受到水平拉力F=2.5N的作用。已知小铁块和导轨之间的动摩擦因数μ=0.2。g取10m/s2,求:
(1)小铁块刚开始运动时的加速度大小?
(2)小铁块运动到离A端多远时,支架将要开始翻转?
(3)若在小铁块运动的过程中,支架始终保持静止,则拉力F作用的最长时间为多少?

2、简答题 均匀导线制成的单位正方形闭合线框abcd,每边长为L,总电阻为R,总质量为m.将其置于磁感强度为B的水平匀强磁场上方h处,如图所示.线框由静止自由下落,线框平面保持在坚直平面内,且cd边始终与水平的磁场边界平行.当cd边刚进入磁场时,求:
(1)线框中产生的感应电动势大小;
(2)cd两点间的电势差大小;
(3)若此时线框加速度恰好为零,求线框下落的高度h所应满足的条件.
3、选择题 有一种新型交通工具如图,乘客的座椅能始终保持水平,当此车加速上坡时,乘客是( )
A.处于失重状态
B.处于超重状态
C.受到向前的摩擦力
D.受到向后的摩擦力