1、实验题  测量一只量程已知的电压表内阻,器材如下:
A. 待测电压表  ?(量程3V,内阻约3KΩ)
?(量程3V,内阻约3KΩ)
B.电流表 ?(量程0.6A,内阻0.01Ω)
?(量程0.6A,内阻0.01Ω)
C. 定值电阻R(阻值2KΩ,额定电流0.5A)
D.电源E(电动势约3V,内阻不计)
E.开关两只,S1、S2,导线若干
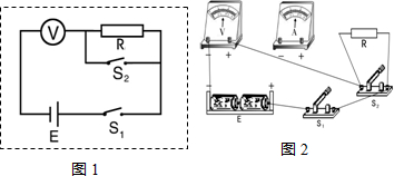
(1)某同学设计了如图 (甲)所示的测量电路,在实验操作时,发现不可行。你认为主要问题是?。

(2)请从上述所给器材中选用所需器材,帮助该同学设计一个能尽量减小实验误差的测量电路,并在虚线框内画出原理图,要求标明给定器材的符号。用需要测量的物理量和电路中器材已给的物理量,写出电压表内阻的计算式Rv=?。并从图中所给的器材中选出你所需要的器材,连接成实验电路图。
 ?
?
 
	参考答案:(1)不可行理由:电流表量程太大,而电路中电流太小,电流表没有明显读数。(2分)
(2) 电路图(3分)?连线(3分)


	本题解析:
分析:(1)由图甲可知,电压表与电流表串连接入电路,根据电源电动势及电表内阻,
由闭合电路的欧姆定律求出电路电流,然后根据根据该电流分析答题.
(2)为了减小实验误差,可以把电压表与定值电阻串连接入电路,
用开关控制定值电阻是否接入电路,然后由串联电路特点及欧姆定律求出电压表内阻.
解:(1)图甲所示电路中,电路最大电流I= =
= ≈0.001A,电路电流太小,电流表量程是0~0.6A,电流表量程太大,电流表指针偏转不明显,电流表没有明显读数,因此图甲所示电路不可行.
≈0.001A,电路电流太小,电流表量程是0~0.6A,电流表量程太大,电流表指针偏转不明显,电流表没有明显读数,因此图甲所示电路不可行.
(2)电压表与定值电阻串联,开关S2与定值电阻并联,实验电路图如图1所示;
根据实验电路图连接实物电路图,实物电路图如图2所示;
闭合开关S1、S2读出电压表示数U1,电源电动势E=U1,
然后断开开关S2,读出电压表示数U2,定值电阻两端电压:
UR=E-U2=U1-U2,此时电路电流I= =
= ,
,
电压表内阻RV= =
= =
= ;
;
故答案为:(1)电流表量程太大,而电路中电流太小,电流表没有明显读数.
(2)实验电路图如图1所示,实物电路图如图2所示; .
.

	本题难度:简单
	        2、实验题  (每空3分,共计12分)为测定某电源的电动势E和内阻r以及一段电阻丝的电阻率ρ,设计了如图(a)所示的电路.ab是一段电阻率较大的粗细均匀的电阻丝,R0是阻值为2Ω的保护电阻,滑动片P与电阻丝接触良好.

(1)实验中用螺旋测微器测得电阻丝的直径如图(b)所示,其示数为d=?mm.

(2)实验时闭合开关,调节P的位置,记录aP长度x和对应的电压U、电流I等相关数据,如下表:

请根据表中数据在图(c)上作U-I关系图线,根据图象求电源的内阻r=?Ω.

(3)图(d)是根据表中数据作出的U/I-x关系图象,由图象求出电阻丝的电阻率ρ为?Ω·m(保留两位有效数字).
 
	参考答案:(1)0.400(2)1.2

(3)
	本题解析:(1)螺旋测微器读数方法:测量长度=固定刻度示数+可动刻度示数×精确度(注意单位为毫米).所以读数为0.400mm
(2)①U-I图象与纵轴的截距为电源的电动势,由图可得E=3.0V;图线斜率为电源的内电阻与 串联的总电阻,由图可得
串联的总电阻,由图可得
②关系图线如图

③由电阻定律有 ,
, ,由图可得
,由图可得
 串联组成的电路)的内电阻,对
串联组成的电路)的内电阻,对 图像要理解其斜率与截距的物理意义。
图像要理解其斜率与截距的物理意义。
	本题难度:一般
	        3、实验题  为了测量一个量程为3V的电压表的内阻RV(约几千欧),可以采用如图所示的电路,

⑴可供选择的实验步骤有:
A.闭合S
B.断开S
C.将电阻箱R0的电阻调到零
D.调节电阻箱R0的电阻,使电压表的指针示数为1.5V,记下此时电阻箱R0的阻值