微信搜索关注"91考试网"公众号,领30元,获取公务员、事业编、教师等考试资料40G!
1、实验题 某同学对有故障的电热毯进行探究,图(a)是电热毯的电路示意图,其中电热线和导线通过金属接线片连接,图(b)为测试电路实物图,A、B为测试表笔,电压表和电流表均可视为理想电表。

(1)断开K1,用测试电路在1和1′之间检测得知电热线无故障,然后测得电热线的U-I曲线如图(c)所示。可求得此电热线的电阻为?Ω。
(2)在答题卷虚线框内画出与图(b)对应的电路原理图。
(3)为了进一步检查故障,该同学闭合开关K1和K2,用表笔A和B分别对图(a)中所示的各点进行测试,部分测试结果如下表所示。由此测试结果可判断出电路有断路,位置在?(在“1和2”、“1′和2′”、“2和3”、“2′和3′”中选填一项)。
测试点
| 3和3′
| 1和1′
| 1和3
| 1和2′
| 2′和3′
|
电表指针有无偏转
| 电压表
| 有
| 有
| 无
| 有
| 无
|
电流表
| 无
| 有
| 有
| 无
| 有
|
?
参考答案:(1)
(570~590均可以)(2)

(3)断路位置在1′和 2′之间
本题解析:(1):根据
可知,电热线的电阻为:
(570~590均可以);
(2):由实物图可知,电流表采用的是外接法,变阻器采用的是分压式接法,电路图如图所示:

(3): 测故障时,根据“若电压表有示数说明电压表之间不含电源的部分可能有断路(含电源的部分没有断路),若无示数,则电压表之间不含电源的部分可能没有断路 (含电源的部分可能断路)”及“若电流表有示数,说明电流表之间电路没有断路,若电流表无示数说明电流表之间电路有断路”的规律可知,断路位置在1′和 2′之间;
本题难度:一般
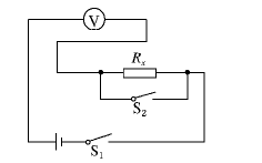
2、实验题 一直流电压表,内阻为RV,一直流电源(电动势未知,内阻可忽略不计),两个单刀开关S1、S2及若干导线.已知电压表的量程略大于电池组的电动势,现用这些器材测量一电阻值较大的定值电阻Rx的值.

(1)为达到上述目的,将题中右侧对应的图连成一个完整的实验电路图.
(2)简述实验步骤和需要测量的数据(数据用文字和符号表示):
________________________________________
________________________________________
(3)可以计算出Rx=________.(用已知量和测得量表示)
参考答案:(1)如图所示

(2)闭合S1?S2,读出电压表读数U1;
保持S1闭合,断后S2,读出电压表读U2;
(3)
RV
本题解析:因为只给了一只阻值已知的电压表,所以要利用串联电路的特点,即电压的分配与电阻成正比来进行测量.当S1?S2均闭合时,电源的电动势为U1,当S1闭合S2断开时,根据串联电路的特点:
解得Rx=
RV.
本题难度:简单
3、选择题 在用电压表和电流表测电阻的实验中,由于电表内阻对测量的影响,使得测量的结果会出现误差。若采用如图所示的电路进行测量,则测量值RX与实际值R0比较

[? ]
A.RX>R0
B.RX<R0
C.RX=R0
D.因不知两表的内阻具体大小,故无法比较RX与R0的大小关系
参考答案:B
本题解析:
本题难度:简单
4、实验题 测量一个定值电阻的阻值Rx。
(1)某同学用多用电表测量其阻值的大小,如图所示,定值电阻Rx的阻值为___________Ω。?

(2)为更准确的测定该电阻的阻值,可供选择的实验器材如下:
A.电流表A1,量程500μA,内阻约0.6 Ω
B.电流表A2,量程3 mA,内阻约0.12 Ω
C.电压表V1,量程15 V,内阻约15 kΩ
D.电压表V2,量程3 V,内阻约3 kΩ
E.滑动变阻器R,全电阻约20 Ω
F.直流电源E,电动势3 V,内阻不计
G.电键S、导线若干
①用伏安法测定Rx的电阻值,所选电流表___________(填“A1”或“A2”),所选电压表为_________(填“V1”或“V2”)。
②画出测量电路的原理图,并根据所画原理图将下图中实物连接成测量电路。

参考答案:(1)1200
(2)①A2,V2
②
,
本题解析:
本题难度:一般
5、实验题 在“用电流表和电压表测电池的电动势和内电阻”的实验中,共测得了6组电流I、电压U的值。

(1)图中的6个点表示实验测得的6组电流I、电压U的值,根据这些实验值,要求作出
图线;
(2)由此图线,求得电池电动势
=________V,内阻
______Ω.(均取2位小数)
参考答案:(1) 直线且必须交于横纵坐标轴(2分)?
(2) 2.90---3.00(2分), 0.75----0.85(2分)、
本题解析:(1)利用描点法可得如图所示:直线且必须交于横纵坐标轴

(2)根据闭合回路的欧姆定律
联立方程可得,也可以通过图像与纵轴的截距表示电源电动势,与横轴的截距可得短路电流,
点评:关键是理解U-I图像的意义,例如截距,斜率的物理含义
本题难度:简单