微信搜索关注"91考试网"公众号,领30元,获取公务员、事业编、教师等考试资料40G!
1、实验题 有一根细长而均匀的金属材料样品,截面为外方(正方形)内圆,如图所示。此金属材料质量约为0.1~0.2 kg,长约30 cm,电阻约为10 Ω。已知这种金属的电阻率为
。因管线内径太小,无法直接测量,请根据以下器材,设计一个实验方案测量其内径
。

A毫米刻度尺 ? B螺旋测微器? C电流表(600mA,10Ω)
D电流表(3A,0.1Ω)? E电压表(3V,6kΩ)? F滑动变阻器(2 kΩ,0.5A)?
G滑动变阻器(10Ω,2A)? H直流稳压电源(6V,0.05Ω) I开关一个,带夹子的导线若干
(1)除待测金属材料、A、B、E、H、I外,应选用的实验器材还有?。(只填代号字母)
(2)画出你设计方案的实验电路图。
(3)用已知的物理常量(设长度为
,截面外边长为
)和所测得的物理量,推导出计算金属管线内径d的表达式?。
参考答案:(1)CG(对1个得1分共2分)(2)电路原理图:注意电流表外接和滑动变阻器分压(3分)
(3)若测得电压为U,电流强度为I,
(2分)

本题解析:(1)除待测金属材料、A、B、E、H、I外,应选用的实验器材有C、G.
(2)因电压表的量程为3V,金属材料的电阻约为10Ω,所以通过金属材料的电流约为I=0.3A=300mA,所以电流表应选600mA量程,由于待测电阻值远小于电压表内阻,所以电流表应用外接法;因通过电流表的最小电流为
=
=200mA,根据闭合电路欧姆定律可知电路中最大电阻为
=30Ω,所以滑动变阻器不能用2KΩ的滑动变阻器,考虑电源电动势为6V,电压表量程为3V,滑动变阻器应用分压式接法,电路图如图1所示,实物连线图如图2所示.

(3)设长度为L,截面外边长为a,电压为U,电流强度为I.则电阻R=
,又R=
,可解得:S=
?①,设圆直径为d,由图可知S=
?②,联立①②可得
.
本题难度:一般
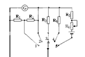
2、选择题 右图是简化的多用表的电路。转换开关S与不同接点连接,就组成不同的电表:下面是几位同学对这一问题的议论,请你判断他们中的正确说法

A.S与2连接时,多用表就成了测电阻
B.S与3连接时,多用表就成了电流表
C.S与4连接时,多用表就成了电压表
D.S与5连接时,多用表就成了电压表
参考答案:C
本题解析:多用表电路中的表头是电流计,当S与2连接时,表头与电阻R1、R2并联,而并联是分流电路,故此时多用表就成了电流表,A不对;当S与3连接时,表头与R3串联,串联是分压电路,故此时多用表就成了电压表,B不对;
当S与4连接时,表头与R4串联,串联是分压电路,故此时多用表就成了电压表,C是正确的;当S与5连接时,表头与变阻器再与电源串联,故它是能够测量电阻大小的,所以此时的多用电表就成了欧姆表,D是不对的。
本题难度:简单
3、实验题 (10分)某实验小组要描绘一个标有“3.8V,1W”的小灯泡RL的R~U曲线,设计了图16-1的实验电路,所供选择的器材除了导线和开关外,还有以下可供选择:
A.电压表V(量程5V,内阻约为5kΩ)
B.直流电源E(电动势4.5V,内阻不计)
C.电流表A1(量程150mA,内阻约为2Ω)
D.电流表A2(量程300mA,内阻约1Ω)
E.滑动变阻器R1(阻值0 ~ 10Ω,1A)
F.滑动变阻器R2(阻值0 ~ 200Ω,1A)
⑴实验中为较准确测量、方便调节,电流表应选用?(填A1或A2),滑动变阻器应

选用?(填R1或R2);
⑵根据实验数据计算并绘出了R-U的图象如图。由图象可知,当所加电压为3.00V时,小灯泡实际消耗的电功率为?W 。如果灯丝电阻R与其温度t的关系是R=k(t+273)(k为比例系数),室温为27℃ ,可知该小灯泡正常发光时,灯丝温度约为?℃;
⑶小灯珠的电功率P随电压U变化图象及其伏安特性曲线可能分别是图中的?。
A.①和③? B.①和④? C.②和③
参考答案:(1)A2;R1(填D、E也给分);(2)0.78(2分);23270C(2分);(3)C(2分);
本题解析:(1)小灯泡的正常工作电流
,故应选择电流表A2;为保证调节方便灵敏,变阻器的最大电阻应比小灯泡的正常工作电阻小,所以应选择电阻
;(2)当所加电压为3V时,由图可知此时小灯泡的电阻
,所以可得小灯泡消耗的电功率
;将室温电阻1.5Ω代入题目所给关系式可解得
,小灯泡正常发光时的电阻由图可知为13Ω,代入关系式解得
;(3)由欧姆定律可得
可知,其伏安特性曲线的割线斜率的倒数表示小灯泡的电阻,结合图可知,伏安曲线的割线斜率是是逐渐变小的,所以伏安特性曲线可能是③;因灯泡电流随着电压的增大而增大,由功率公式
可知,其斜率表示电流,逐渐变大,所以电功率P随电压U的变化图象可能是②,故只有C正确;
本题难度:一般
4、选择题 在如图所示的电路中,电源电动势为3.0V,内阻不计,L1、L2、L3为3个相同规格的小灯泡,这种小灯泡的伏安特性曲线如图所示.当开关闭合后,下列判断正确的是(?)


A.灯泡L1的电阻为12Ω
B.通过灯泡L1的电流为灯泡L2电流的2倍
C.灯泡L1消耗的电功率为0.75W
D.灯泡L2消耗的电功率为0.30W
参考答案:ACD
本题解析:AC、灯泡
两点电压为3V,由图可知电流为0.25A,
;AC正确
BD、两灯泡串联,每个灯泡分的1.5V电压,电流为0.20A,
;B错D对
故选ACD
点评:中等难度。注意小灯泡电阻随电流的增大而增大。
本题难度:一般
5、实验题 (8分)某同学在做练习使用示波器实验,发现示波器上显示如图甲,为了将这个波形变成如图乙所示的波形,可进行如下调节:(填旋钮或开关编号&s.5*u.c.om)


(1)调节?使图象变细;
(2)调节?和?使图象位于示波器显示屏的中央;
(3)调节?增大波形曲线竖直方向的幅度;
(4)调节?使图象从负半周开始。
参考答案:(1)2聚焦旋钮&s.5*u.c.om
(2)6,7 竖直位移旋钮,水平位移旋钮
(3)8Y增益旋钮?
(4)15同步开关
本题解析:略
本题难度:一般