微信搜索关注"91考试网"公众号,领30元,获取公务员、事业编、教师等考试资料40G!
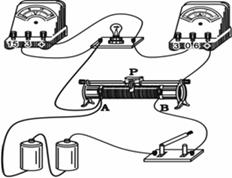
1、实验题 下图为一电学实验的实物连线图。该实验可用来测量特测电阻Rx的阻值(约500Ω)。图中两个电压表量程相同,内阻都很大。实验步骤如下:

调节电阻箱,使它的阻值R0与待测电阻接近;将滑动变阻器的滑动头调到最右端。
合上开关S。
将滑动变阻器的滑动头向左端滑动,使两个电压表指针都具有明显偏转。
④记下两个电压表
和
的读数U1和U2。
⑤多次改变滑动变阻器滑动头的位置,记下
和
的多组读数U1和U2。
⑥求Rx的平均值。
回答下列问题:
(Ⅰ)根据实物连线图在虚线框内画出实验的电路原理图,其中电阻箱的符号为
滑动变阻器的符号为
,其余器材用通用的符号表示。

(Ⅱ)不计电压表内阻的影响,用U1、U2和R0表示Rx的公式为Rx?。
(Ⅲ)考虑电压表内阻的影响,且U1、U2、R0、
的内阻r1、
的内阻r2表示Rx的公式为Rx?。
参考答案:(Ⅰ)电路原理图如图所示(6分。其中,分压电路3分,除分压电路外的测量部分3分)

(Ⅱ)
(4分)
(Ⅲ)
本题解析:略
本题难度:简单
2、实验题 如图甲所示,为某同学测绘额定电压为2.5V的小灯泡的I-U特性曲线的实验器材。
(1)根据实验原理,选取合适的电表量程,用笔画线代替导线,将图甲中的实验电路图连接完整。
(2)开关S闭合之前,图甲中滑动变阻器的滑片应该置于___________端(选填“A”、“B”或“AB中间”)
(3)某同学根据得到的实验数据,在图丙中画出小灯泡的I-U特性曲线。由图可知当小灯泡两端的电压为1.2V时的功率为______________W.

参考答案:(1)如图.(只要有一处出现错误,均不给分)

(2)左端
(3)0.24
本题解析:(1)据题意,要测量小灯泡伏安特性曲线,为了测量准确需要多测量几组数据,则滑动变阻器需要接成分压式接法,由于小灯泡是小电阻,电流表需要接成外接法,则电路图如图所示。(2)开关闭合之前,需要使用电器上的电压为0,,则把滑片滑到A端,即左端。(3)据图,当小灯泡两端电压为1.2v时,电流为0.2A,此时灯泡功率为:
。
本题难度:一般
3、实验题 一个定值电阻,其阻值约在40—50Ω之间,现需要测量其阻值。给出的实验器材有:
电池组E?电动势9V,内阻约为0.5Ω
电压表V?量程0—10V,内阻20KΩ
电流表A1?量程0—50mA,内阻约为20Ω
电流表A2?量程0—300mA,内阻约为4Ω
滑动变阻器R1,阻值范围0—100Ω,额定电流1A
滑动变阻器R2,阻值范围0—1700Ω,额定电流0.3A
电键S、导线若干
如图所示有两种电路可供选择。
测量中为了减小测量误差,实验所用电流表应为??(填代号),滑动变阻器应为?(填代号)。实验中应选用图???所示电路图。

参考答案:A2; R1;甲
本题解析:根据待选电路图可知:通过待测电阻的最大电流
,所以电流表选择A2;为了便于调节电路,滑动变阻器选择较小的即R1;根据电流表和电压表及待测电阻的阻值关系
可知电流表采取外接法,即甲电路图.
本题难度:一般
4、简答题 伏安法测电阻,当被测电阻不知估计值时,在连接测量电路时可采用以下试接的方法:电压表一端连接于电路中C点,另一端分别接电路中a点或b点(图中用单刀双掷开关K进行变换),观察两电表读数变化情况,来选择电流表的接法.设两表的量程及所接电源都合适.
(1)当K分别接a和接b时,发现电流表读数比电压表计数变化明显,则应采用K接______点的方法
(2)用上述接法测出的Rx值比它的真实值______.误差是由于______造成的.
(3)若已知电压表内阻RV,电流表内阻RA,测量时电压表和电流表读数分别为U和I,则被测电阻真实值计算表达式Rx=______
(4)要描绘出该被测电阻的伏安特性曲线,除上面图示中测量电路中已有的器件外,还有电源、开关、导线和______.并把测量电路的E、F两点接入完整的电路中(画出虚线内的电路图)
参考答案:(1)当K分别接a和接b时,发现电流表读数比电压表计数变化明显,说明电流表的分压作用较小,所以要用内接法,即应采用K接a点的方法;
(2)用此接法电压表测量的是电流表和被测电阻的总电压,电流表测量的是被测电阻的电流,根据欧姆定律R=UI可知,电压偏大,电流准确,所以电阻值偏大;
(3)电阻两端的电压U′=U-IRA
根据欧姆定律R=U′I得:
Rx=U-IRAI
(4)要描绘出该被测电阻的伏安特性曲线,则要得出多做U、I值,所以要用到滑动变阻器调节电路,为了使被测电压可以从零开始,所以滑动变阻器要用分压式,
电路图如图所示:

故答案为:(1)a点
(2)偏大;电流表的分压
(3)U-IRAI?
(4)滑动变阻器,如图所示.
本题解析:
本题难度:一般
5、实验题 某同学通过实验研究小灯泡的电压与电流的关系。可用的器材如下:电源(电动势3V,内阻1Ω)、电键、滑动变阻器(最大阻值20Ω)、电压表、电流表、小灯泡、导线若干。

(1)实验中移动滑动变阻器滑片,得到了小灯泡的U-I图象如图a所示,则可知小灯泡的电阻随电压增大而 ?填“增大”、“减小”或“不变”);

(2)根据图a,在图b中把缺少的导线补全,连接成实验的电路(其中电流表和电压表分别测量小灯泡的电流和电压);
(3)若某次连接时,把AB间的导线误接在AC之间,合上电键,任意移动滑片发现都不能使小灯泡完全熄灭,则此时的电路中,小灯泡可能获得的最小功率是 ?W(本小题若需要作图,可画在图a中)。
参考答案:(1)最大
(2)

(3)0.315W
本题解析:(1)图像的斜率表示电阻的大小,所以可知小灯泡的电阻随电压增大而增大,
(2)

(3)做U-I图像,根据交点可得P=0.315W
点评:连接实物图时,要确定电表的量程;注意滑动变阻器的接法,滑动变阻器接一上一下两个接线柱;注意电表正负接线柱不要接反;
本题难度:简单