1、推断题 水是生命之源,也是化学反应中的主角。试回答下列问题:
I.A、B、C均是中学化学常见的三种短周期元素组成的有色物质,摩尔质量依次增大,它们均能与水发生氧化还原反应,但水既不是氧化剂也不是还原剂,请写出A、B、C与水反应的化学方程式:
(1)A + H2O__________________;
(2)B + H2O__________________;
(3)C + H2O__________________。
II.已知X和Y分别是短周期两种同族元素形成的单质,W、V是化合物,它们有如下变化关系:X+W→Y+V,试写出符合题意,且满足下列关系的化学方程式:
(1)W是水_________;
(2)V是水__________。
2、推断题 有一化合物X,其水溶液为浅绿色,可发生如下的转化关系(部分反应物、生成物已略)。其中,B、D、E、F均为无色气体,M、L为常见的金属单质,C为难溶于水的红褐色固体。在混合液中加入BaCl2溶液可生成不溶于稀盐酸的白色沉淀,H和M反应可放出大量的热。请回答下列问题

(1)X的化学式为________,?M的原子结构示意图为________,L在周期表中的位置________?。
(2)写出电解混合液时阳极的的反应式________________
(3)在CuCl2溶液中通入过量的B气体,可观察到的现象是________,写出总的离子反应方程式________________________。
(4)有同学设想用气体F和液态水来生产B,该反应可行?解释之。?
________________________?。
(5)已知
E气体在D中完全燃烧生成稳定的化合物时,放出b?kJ的热量,写出该反应的热化学方程式________________________?。
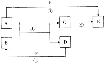
3、简答题 A、B、C、D、E、F六种物质的相互转化关系如图所示(反应条件未标出),其中反应①是置换反应.

(1)若A、D、F都是非金属单质,且A、D所含元素同主族,A、D、F所含元素的原子序数之和为28,则F所含元素在周期表中的位置是______;反应①的化学方程式是:______.
(2)若A是生产和生活中使用最多的金属单质,D、F是气态单质,反应①、反应②都在水溶液中进行,则反应②的离子方程式是:______;实验室D在F中安全的进行反应时,④的现象是______.
(3)若B、C、F都是气态单质,且B有毒,③和④两个反应中都有水生成,反应②、③、④都需要一定条件才能发生,A、D相遇有白烟生成,则C的电子式是______;反应③的化学方程式是______.
(4)若A、D为短周期元素单质,且所含元素的原子序数A是D的2倍,所含元素的原子核外最外层电子数D是A的2倍,③和④两个反应中都会生成有颜色的气体,B的结构式是______;反应③的化学方程式是______.
4、填空题 (10分)甲、乙、丙、丁是四种短周期元素,它们的原子序数依次增大,其中甲和丙、乙和丁分别是同主族元素,又知乙、丁两元素的原子核中质子数之和是甲、丙两元素原子核中质子数之和的2倍,甲元素的一种同位素核内无中子。
(1)写出甲、乙、丙三种元素组成的化合物的电子式________,指出其中含有的化学键的类型_______、_______。
(2)写出乙与丙按原子个数比1:1组成的化合物与水反应的化学方程式_________。
(3)用甲元素的单质与乙元素的单质可以制成电池,电池中装有KOH浓溶液,用多孔的金属惰性电极浸入KOH溶液,两极均有特质的防止透过的隔膜,在A极通入甲的单质,B极通入乙的单质,则A极是该电池的_______极,B极的电极反应式是 ___________?
5、推断题 在一定条件下,下列各物质(均为中学化学常见物质,其中A是淡黄色固体。)可发生如下图所示的变化(反应中生成的水未写出):

请回答下列问题:
(1)固体A是______________(填化学式),A中含有的化学键为______________(填化学键类型)。
(2)反应(Ⅰ)的离子方程式为____________________________;反应(Ⅱ)的化学方程式为____________________________。
(3)H与液体X反应的化学方程式为____________________________;固体B与溶液L反应的离子方程式为____________________________。