微信搜索关注"91考试网"公众号,领30元,获取公务员、事业编、教师等考试资料40G!
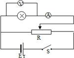
1、简答题 发光晶体二极管是用电器上做指示灯用的一种电子元件.它的电路符号如图(甲)所示,正常使用时,带“+”号的一端接高电势,带“-”的一端接低电势.某同学用实验的方法测得它两端的电压U和通过它的电流I的关系数据如表中所示.
| U/V | 0 | 0.4 | 0.8 | 1.2 | 1.6 | 2.0 | 2.4 | 2.6 | 2.8 | 3.0 I/mA 0 0.9 2.3 4.3 6.8 13.0 19.0 24.0 30.0 37.0
|

①在图(乙)中的虚线内画出该同学的实验电路图.(实验用电压表V:内组RV约为10kΩ,电流表mA:内阻RmA约为100Ω)
②在图(丙)中的小方格纸上用描点法画出二极管的伏安特性曲线.
③若发光二极管的最佳工作电压为2.0V,而电源是由内阻不计、电动势为3V的供电系统提供的.请根据所画出的伏安特性曲线上的信息,分析应该串联一个阻值多大的电阻再与电源接成闭合电路,才能使二极管工作在最佳状态?(结果保留二位有效数字)
参考答案:①同时测定二极管上的电流和电压时,由欧姆定律分析表格中的每一组数据,可以看出发光二极管的电阻是变化的,变化的范围大约在100Ω~500Ω之间.故电流表的内阻对测量影响较大,利用电流表外接法误差小.而测量数据应从0开始,用滑动变阻器分压式接法,才能得到足够多的数据;
电路图如图所示:

②将表格提供的数据在方格纸上描点,可画出U-I图线如图丙中的曲线所示.

③根据U-I图线可知,当二极管的工作电压为2.0V时,工作电流约为12mA,按串联电路的特点知,串联电阻上分到电压应为1.0V,故得应串的电阻为:R=UI=112×10-3Ω=83Ω.(81Ω-86Ω均可)
故答案为:①如图所示;②如图所示;③应该串联一个阻值83Ω的电阻再与电源接成闭合电路,才能使二极管工作在最佳状态.
本题解析:
本题难度:一般
2、实验题 如图所示,E为直流电源,G为灵敏电流计,A、B为两个圆柱形电极,P是木板,C、D为两个探针,S为开关。现用上述实验器材进行“用描迹法画出电场中平面上的等势线”的实验。

(1)木板P上有白纸、导电纸和复写纸,最上面的应该是________纸;
(2)用实线代表导线将实验器材正确连接。
参考答案:(1)导电?(2)如图所示(探针和灵敏电流计部分2分,有任何错误不给这2分;其余部分2分,有任何错误也不给这2分)

本题解析:(1)木板P上有白纸、导电纸和复写纸,最上面的应该是导电纸纸;(2)将电源开关串联后与A、B接线柱连接。用实线代表导线将实验器材正确连接如图所示。
【考点定位】考查“用描迹法画出电场中平面上的等势线”的实验及其相关知识。
本题难度:简单
3、实验题 某学习小组通过实验来研究电器元件Z的伏安特性曲线。他们在实验中测得电器元件Z两端的电压与通过它的电流的数据如下表
U/V
| 0.00
| 0.20
| 0.50
| 1.00
| 1.50
| 2.00
| 2.50
| 3.00
|
I/A
| 0.000
| 0.050
| 0.100
| 0.150
| 0.180
| 0.195
| 0.205
| 0.215
|
?
现备有下列器材:
A.内阻不计的6V电源;
B.量程为0~3A的内阻可忽略的电流表;
C.量程为0~0.6 A的内阻可忽略的电流表;
D.量程为0~3V的内阻很大的电压表;
E.阻值为0~10Ω,额定电流为3A的滑动变阻器;
F.电键和导线若干。
(1)这个学习小组在实验中电流表选(填器材前面的字母)

(2)请你从下面的实验电路图中选出最合理的一个
(3)利用表格中数据绘出的电器元件Z的伏安特性曲线,如图所示,分析曲线可知该电器元件Z的电阻随U变大而(填“变大”、“变小”或“不变”);

(4)若把用电器Z接入如图所示的电路中时,电流表的读数为0.150A,已知A、B两端电压恒为2V,则定值电阻R0 阻值为_______Ω。(结果保留两位有效数字)

参考答案:(1)C(2分);(2)D(3分);(3)变大:(2分)(4)6.7-6.9之间均可
本题解析::(1):由数据表可知,电路中的最大电流为0.215A,所以电流表应选择C;
(2):从数据表可知要求电流从零调,所以变阻器应采用分压式接法;由于电流表与电压表均为理想电表,所以电流表采用外接法和内接法均可,故选D
(3)根据欧姆定律可知,
,可知元件电阻随U的变大而变大.
(4)从图中可看出当电流为0.150A时,电器Z两端的电压为1V,所以定值电阻
本题难度:一般
4、简答题 某学习小组要描绘一只小电珠(2.5V,0.5A)的伏安特性曲线,所供选择的器材除了导线和开关外,还有以下一些器材可供选择:

A.电源E(电动势为3.0V,内阻不计)
B.电压表V1(量程为0~3.0V,内阻约为2kΩ)
C.电压表V2(量程为0~15.0V,内阻约为6KΩ)
D.电流表A1(量程为0~0.6A,内阻约为1Ω)
E.电流表A2(量程为0~100mA,内阻约为2Ω)
F.滑动变阻器R1?(最大阻值10Ω)
G.滑动变阻器R2(最大阻值2kΩ)
(1)为了减小实验误差,实验中电压表应选择______,电流表应选择______,滑动变阻器应选择______.(填器材的符号)
(2)为提高实验精度,请你为该学习小组设计电路图,并画在方框中.
(3)下表中的各组数据是此学习小组在实验中测得的,根据表格中的数据在答题卷的方格纸上作出该电珠的伏安特性曲线.
| U(V) | 0 | 0.5 | 1 | 1.5 | 2.0 | 2.5 I(A) 0 0.17 0.30 0.39 0.45 0.49
参考答案:(1)、由题意小灯泡额定电压为2.5V,额定电流为0.5A,故电压表应选B,电流表应选D,又描绘伏安特性曲线要求电流从零调,故变阻器应用分压式接法,应选阻值小的变阻器F. ? (2)、又因小灯泡电阻为R=UI=5Ω,远小于电压表内阻,故电流表应用外接法,电路图如图所示.

(3)、根据表格数据取标度、描点、连线如图所示.

故答案为(1)B、D、F ? ?(2)电路图如图 ?(3)电珠的伏安特性曲线如图
本题解析:
本题难度:一般
5、实验题 伏安法测电阻实验中,若采用内接法其测量值____________真实值,若采用外接法其测量值____________真实值。(填写大于或小于)
参考答案:大于,小于
本题解析:
本题难度:一般
Still waters run deep. 静水流深。 |